特点:
1、采用32位电机控制专用芯片
2、开环矢量控制技术
3、低速超静音,电流平滑,满足各类场景的应用
4、电压等级12VDC~48VDC,支持宽电压输入
5、脉冲信号电平支持TTL 3.3V\5V,支持共阴极、共阳极接法
6、控制指令最大脉冲频率250KHz
7、具有过压、欠压、过流、过温等保护功能
8、内置平滑微细分技术
9、电机静止时电流自动衰减,减小发热量
10、超高性价比,经济高效
11、可接受定制化
典型案例:
广泛应用于各种中小型自动化设备和仪器,例如:电子加工设备、3C非标自动化设备、锁螺丝机、剥线机、绕线机、端子机、激光机、打标机、喷绘机、中小型雕刻机、自动抓取设备、专用数控机床、包装设备和机器人等。
产品概述:
采用32位ARM数字处理技术,内置微细分和中频振动抑制技术,有效提升电机运行平稳性、减小发热等。细分和电流可通过拨码设置,接口定义简单,致力于为客户提供高性价比的一体机控制解决方案。
拨码设置:
采用6位拨码开关设定最小电流和细分数,详细描述如下:

SW4、SW5设置驱动器最小电流
电流(RMS) | SW4 | SW5 |
0.5A | ON | ON |
1.0A | OFF | ON |
1.5A | ON | OFF |
2.0A | OFF | OFF |
细分拨码SW1、SW2、SW3:如下图拨码细分表,客户可通过拨码设置所需的细分。
Pulse/rev | SW1 | SW2 | SW3 |
400 | ON | ON | ON |
800 | OFF | ON | ON |
1600 | ON | OFF | ON |
3200 | OFF | OFF | ON |
6400 | ON | ON | OFF |
12800 | OFF | ON | OFF |
25600 | ON | OFF | OFF |
51200 | OFF | OFF | OFF |
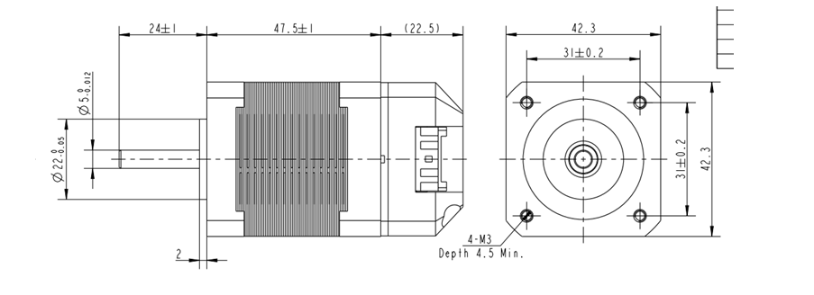
控制端口(JST B08B-PASK 8引脚)
引脚号 | 信号 | 功能 | 说明 | ||
1 | PU | 脉冲 | 支持3.3V和5V 电平,使用更高电平需外接限流电阻 | ||
2 | F/R | 方向 | 信号截止\悬空:正转 信号接通:反转 | ||
3 | SS | 停止 | 信号截止\悬空:电机正常操作 信号接通:电机停止 | ||
4 | AR | 报警清除 | 信号接通:停机清除故障信号 | ||
5 | XCOM | 输入信号公共端 | 支持共阳极、共阴极接线 | ||
6 | ALM | 报警输出 | 开漏输出 | 高电平:正常 | |
低电平:报警 | |||||
7 | STA | 电机运行状态 | 开漏输出 | 高电平:停止 | |
低电平:运行 | |||||
8 | YCOM | 输出信号公共端 | 输出信号的GND | ||
电源端口 (DB125-3.5-2P 2位引脚)
引脚号 | 信号 | 功能说明 |
1 | VDD | 电源输入正端 ,输入电压为12~48Vdc |
2 | GND | 电源输入负端 |

Copyright 2023 版权所有 bb708电子游戏娱乐 苏ICP备05002292号-1