性能参数
| 科目 Item | 参数 Spec |
| 磁编码器 Magnetic Encoder | 2 pcs |
| 额定电压 Rated Voltage | 48V |
| 使用电压范围 Voltage Range | 15-60V |
| 额定输出功率 Rated Output Power | 115w ±10% |
| 额定扭矩 Rated Torque | 11N.m |
| 峰值扭矩 Peak Torque | 36N.m |
| 运转方向 Running Direction | CW/CCW |
| 使用温度范围 Temperature Range | -20~50℃ |
| 使用湿度范围 Humidity Range | 5~85% |
| 保存温度范围 Storage Temperature Range | -30~70℃ |
| 绝缘等级 Insulation Level | Class B |
| 空载转速 No-load Speed | 480 rpm ± 10% |
| 空载电流 No-load Current | 0.98 Arms |
| 额定负载转速 Rated Load Speed | 100 rpm ± 10% |
| 额定负载相电流 Rated Load Phase Current | 14.3Apk ± 10% |
| 峰值相电流 Peak Phase Current | 57Apk ± 10% |
| 绝缘电阻/定子绕组 Insulation Resistance/ Stator Winding | DC 500VAC,100M 0hms |
| 耐高压/定子与机壳 High Voltage Resistance/ Stator and Casing | 600VAC, 1s, 2mA |
| 电机反电势 Back-EMF | 7.4 Vrms/rpm ±10% |
| 转矩常数 Torque Constant | 1.09 N.m/Arms |
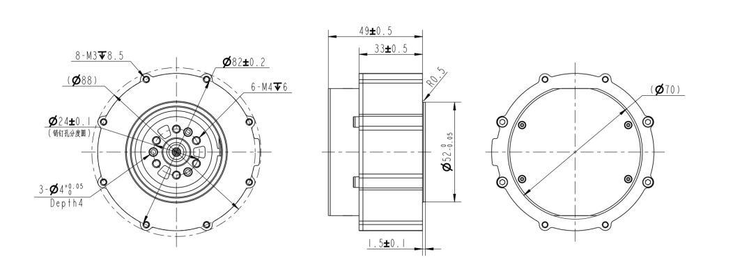
机械参数
| 科目 Item | 参数 Spec |
| 重量 Weight | 621g ±3g |
| 极数 Pole | 28 |
| 相数 Phase | 3 |
| 驱动方式 Drive Method | FOC |
| 减速比 reduction ratio | 9:1 |
性能参数

最大过载曲线
| 负载 Load (N.m) | 工作时间 Operating Time (s) |
| 36 | 4 |
| 30 | 8 |
| 25 | 18 |
| 20 | 36 |
| 17 | 200 |
| 11 | rated |


Copyright 2023 版权所有 bb708电子游戏娱乐 苏ICP备05002292号-1