参数概念:
| 适配电机 | 电机规格 | 适配57,60,70,80,86及以上机座号(步进/无刷/伺服电机) | ||
| 电机轴径 | 适配轴径3mm,4mm,5mm,6mm,6.35mm,8mm | |||
| 存储温度 | -40℃~100℃ | |||
| 推荐工作环境 | 场合 | 无腐蚀性,易燃,易爆,导电性气体,液体和粉尘 | ||
| 工作温度范围 | -40℃~100℃ | |||
| 湿度 | 不高于85% RH | |||
| 电气参数 | 供电电压 | 5VDC±0.5V | ||
| 消耗电流 | ≤60mA | |||
| 信号输出 | 单端 | 5V,GND,A,B,Z | ||
| 差分 | 5V,GND,A+/A-,B+/B-,Z+/Z- | |||
| 输出电平方式 | TTL电平 | |||
| 索引信号宽度 | 1/4T | |||
| 差分输出电压 | 高电平输出电压(VoH) ≥3.4V | |||
| 低电平输出电压(VoL) ≤0.4V | ||||
| 差分信号输出格式 | 线驱动26C31 | |||
| 可选分辨率(单位: 线/PPR) | 十进制:100,200,360,400,500,1000,2000,2500 | |||
| 二进制:256,512,1024 | ||||
| 占空比 | 50% ±10% | |||
| 相位差 | 90°±10° | |||
| 响应频率 | ≤500KHz 注意:信号频率 = (转速(Rpm)×线数)/60 | |||
波形图:
三通道单端信号输出

三通道差分信号输出

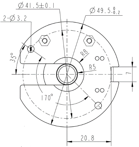
俯视图

底视图

侧视图

Copyright 2023 版权所有 bb708电子游戏娱乐 苏ICP备05002292号-1