特性概要(General specification)
项目(Item) | 说明(Specifications) |
步距角(Step Angle) | 1.8° |
步距角精度(Step Angle Accuracy) | ±5% (整步无负载,full step, no load) |
径向间隙( Radial Play) | 0.02mm@450 g |
轴向间隙( Axial Play) | 0.08mm@450 g |
最大径向负载(Max. radial force) | 130N 距法兰20mm (20mm from the flange) |
最大轴向负载(Max. axial force) | 36N |
介电强度(Dielectric Strength) | 1200VAC / 1s |
绝缘电阻(Insulation Resistance) | 100MΩ ,500VDC |
环境温度(Ambient Temperature) | -20。C~+50。C |
绝缘等级(Insulation Class) | Class B |
电性能(Electrical specifications)
型号(Model No.) | Current /Phase 每相 电流 | Resistance /Phase 每相 电阻 | Inductance /Phase 每相 电感 | Holding Torque 保持 转矩 | Detent Torque 定位 转矩 | # of Leads 引出线数 | Rotor Inertia 转动惯量 | Weight 重量 | Length 机身 长度 |
Single shaft (单出轴) | A | Ω | mH | N.m | N.m | # | g-cm2 | kg | mm |
FL86STH65-6004AC | 6 | 0.29 | 1.77 | 3.5 | 0.08 | 4 | 1000 | 1.7 | 63 |
FL86STH80-6004AC | 6 | 0.39 | 3 | 4.5 | 0.12 | 4 | 1400 | 2.3 | 75 |
FL86STH118-6004AC | 6 | 0.55 | 6 | 8.5 | 0.24 | 4 | 2700 | 3.8 | 112 |
FL86STH156-6004AC | 6 | 0.73 | 8.68 | 12 | 0.36 | 4 | 4000 | 5.3 | 150 |
根据要求,该款电机可以设计和制造成定制的类型。
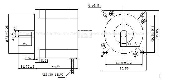
电机尺寸

接线图

矩频曲线

Copyright 2023 版权所有 bb708电子游戏娱乐 苏ICP备05002292号-1