Item | Specifications |
步距角精度Step Angle Accuracy | ±8% (整步空载full step, no load) |
电阻公差Resistance Accuracy | ±10% |
电感公差Inductance Accuracy | ±20% |
温升Temperature Rise | 80。C Max.(额定电流,2相通电 rated current,2 phase on) |
环境温度Ambient Temperature | -20℃+50℃ |
绝缘电阻Insulation Resistance | 100MΩMin. ,500VDC |
介电强度Dielectric Strength | 500VAC/1s |
径向间隙Shaft Radial Play | 0.06Max. (450 g-load) |
轴向间隙Shaft Axial Play | 0.08Max. (450 g-load) |
型号 Model | 步距角Step Angle (Deg.) | 相数 No. of Phase | 电压Voltage
(V) | 相电流Current /Phase (A) | 相电阻 Resistance /Phase (ohms) | 保持力矩 Holding Torque (g.cm) | 定位力矩 Detent Torque (g.cm) | 转子惯量 Rotor Inertia (g.cm^2) | 接线图 Wire Diagram |
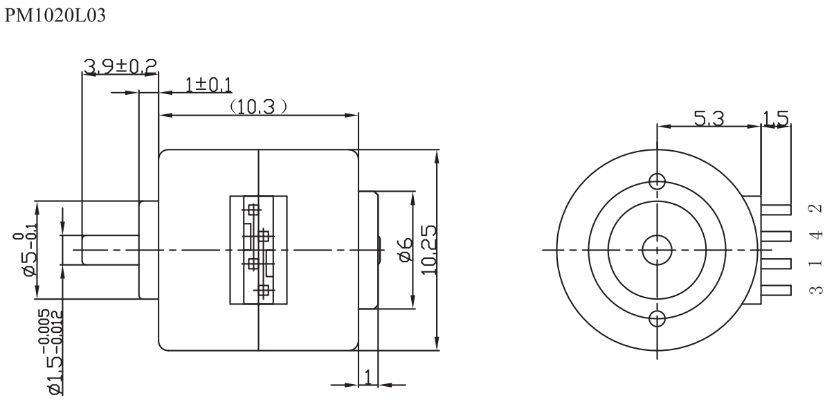
PM1020L03 | 18 | 2 | 3.3 | 0.22 | 15 | 16.3 | 10 |
<1 | A |
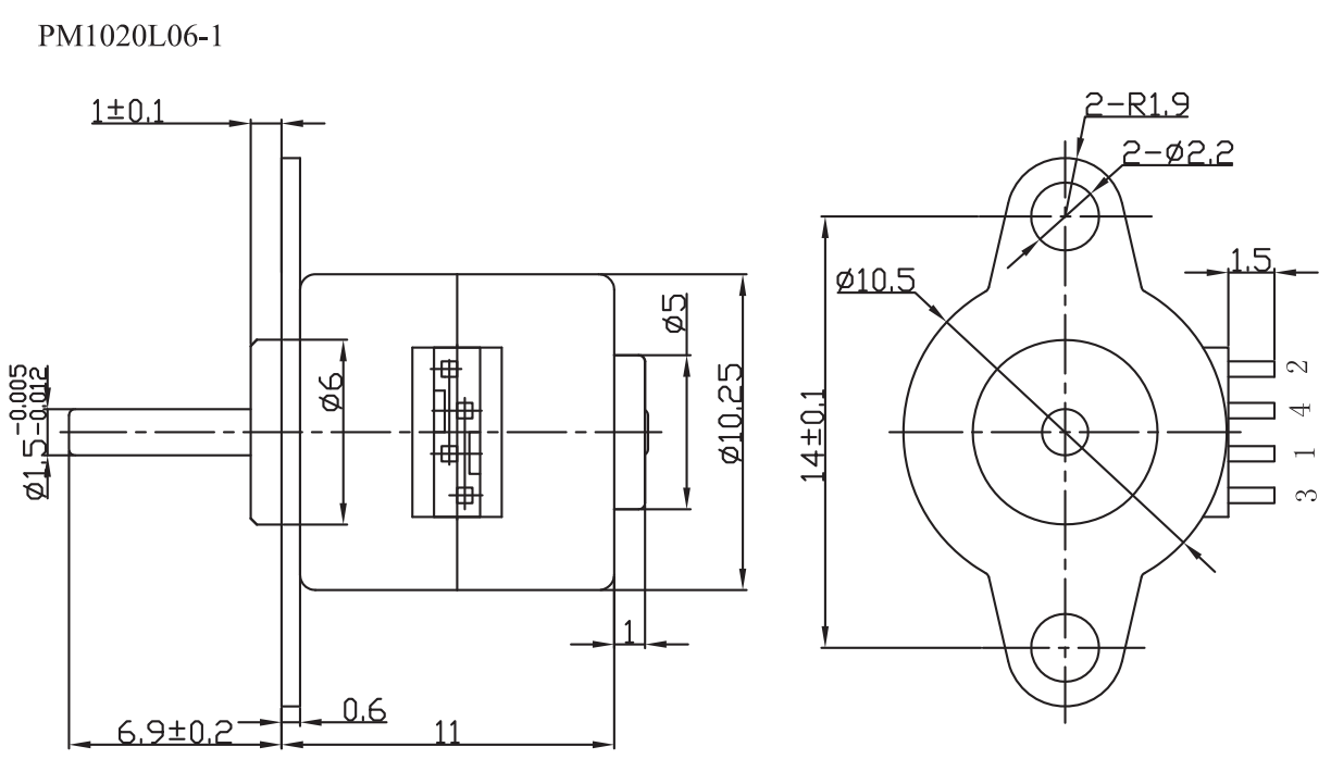
PM1020L06-1 | 18 | 2 | 3.3 | 0.22 | 15 | 16.3 | 10 | A | |
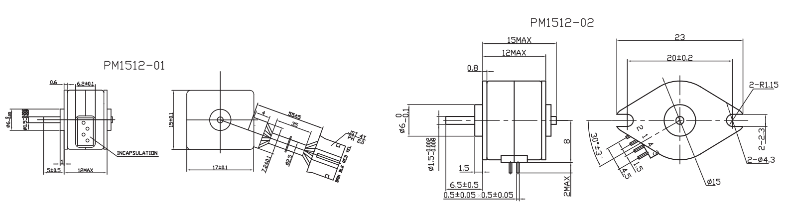
PM1512-01 | 18 | 2 | 12 | 0.04 | 300 | 40 | 10 | A | |
PM1512-02 | 18 | 2 | 5 | 0.5 | 10 | 27 | 6 | c | |
PM2018-01 | 18 | 4 | 12 | 0.24 | 50 | 80 | 25 | B | |
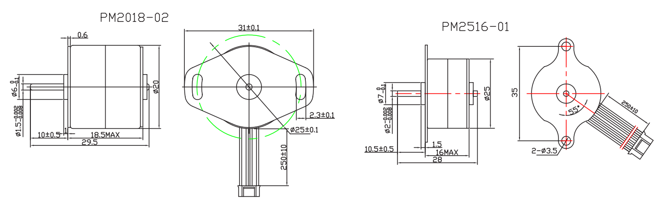
PM2018-02 | 18 | 2 | 5 | 0.5 | 10 | 60 | 20 | A | |
PM2516-01 | 15 | 4 | 9 | 0.45 | 20 | 140 | 75 | B | |
PM2515-01 | 7.5 | 2 | 12 | 0.24 | 50 | 170 | 45 | A | |
PM2515-02 | 7.5 | 4 | 12 | 0.25 | 50 | 160 | 35 | B |
该款电机可以根据客户需求定制。
The motor can be designed &manufactured with customized request.








Copyright 2023 版权所有 bb708电子游戏娱乐 苏ICP备05002292号-1