混合式步进行星齿轮减速电机 (内齿圈材质:金属)
Planetary Gear Stepping Motor (Ring Gear Material: Metal)
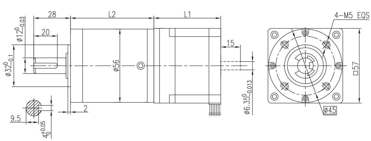
| FL57STH/ 56JMS300K | 56mm Planetary Gearbox,Permissible Load Range: 9N.m~30N.m |
| 内齿圈材料 Ring material | 金属 metal |
| 输出轴轴承形式 Bearing at output | 滚动轴承Ball bearings |
最大允许径向负载(离法兰12mm处) Max. Radial load(12mm from flange) | 300N |
| 最大允许轴向负载 Max. shaft axial load | 200N |
| 径向间隙(测量点尽量接近法兰)Radial play of shaft(near to flange) | ≤0.08 mm |
| 轴向间隙 Axial play of shaft | ≤0.4 mm |
| Model No. | 额定电压 | 每相电流 | 每相电阻 | 每相电感 | 保持转矩 | 引出线数 | 转动惯量 | 重 量 | 长度L1 | 适配减速比 |
| Rated Voltage | Current/Phase | Resistance/Phase | lnductance/Phase | HoldingTorque | # of Leads | Rotor lnertia | Weight | Length L1 | Max. Gear Ratio | |
| 单轴 Single Shaft | V | A | Ω | mH | kg.cm | g-m2 | kg | mm | ||
| FL57STH51-2804A | 2.3 | 2.8 | 0.83 | 2.2 | 10.1 | 4 | 275 | 0.65 | 51 | ≤1:77 |
| FL57STH56-2804A | 2.5 | 2.8 | 0.9 | 2.5 | 12.6 | 4 | 300 | 0.7 | 56 | ≤1:77 |
| 减 速 比 Reduction ratio | 3.6 | 4.25 | 13 | 15 | 18 | 23 | 47 | 55 | 65 | 77 | 96 | 121 | 154 | 187 |
| 精确减速比 Accurate Reduction Ratio | 15/8 | 17/4 | 324/25 | 153/10 | 289/16 | 63/3 | 5932/125 | 1337/25 | 2601/40 | 4913/64 | 289/3 | 1088/8 | 30277/197 | 23328/125 |
| 减速级数 Number of gear trains | 1 | 2 | 2 | 4 | ||||||||||
| 减速器长度(L2) Length(L2) mm | 37.8 | 49.4 | 60.8 | 71.9 | ||||||||||
最大额定转矩 kg.cm Max. rated torque | 90 | 150 | 300 | 300 | ||||||||||
瞬间允许转矩 kg.cm Short time permissible torque | 270 | 450 | 900 | 900 | ||||||||||
| 效 率 Efficiency % | 0.9 | 0.81 | 0.73 | 0.66 | ||||||||||
| 背隙(无负载时)Backlash at no-load | 0.5° | 0.5° | 1.0° | 1.5° | ||||||||||
| 重 量 Weight g | 455 | 610 | 765 | 920 | ||||||||||
该款电机可以根据客户需求定制。
The motor can be designed &manufactured with customized request.

Copyright 2023 版权所有 bb708电子游戏娱乐 苏ICP备05002292号-1