一般技术特性 (General Technical Information)
编码器类型 (Encoder type) | 1、磁编码器 Magnetic encoder 备注:多种分辨率可选,增量式、绝对值式可选。 Note: Multiple resolutions are available;Incremental and absolute values are available. | ||
径向负载 ( Max radial force ) | 4500N |
环境条件 Environmental conditions | 使用环境温度: -20℃~ +50℃; Temperature: -20℃~ +50℃ 使用环境湿度:≤90%RH(无凝露); Relative humidity: ≤90%RH(No dewing) 安装环境:远离腐蚀、可燃性气体,油滴,灰尘, 海拔≤1000m(1000~4000m,降额使用); Installation environment: Far away active gas, Combustible gas, oil drop, ash. altitude≤1000m(1000~4000m,Derating use); 存储环境:-20℃~ +85℃,≤85%RH(无凝露)。 Storage Condition: -20℃~ +85℃,≤85%RH(No dewing). |
轴向负载 ( Max axial force ) | 600N | ||
绝缘等级 (Insulation Class) | Class F | ||
防护等级 (Protection level) | IP54 | ||
电机减速后技术性能 (Motor Technical Specification)
类型 (Model) | 单位(Unit) | FL80SV75 | FL80SV75 |
减速比(Reduction Ratio) | 20:1 | 28:1 | |
额定功率(Rated power) Pn | W | 750 | 750 |
额定电压(Rated voltage) U | V | 48VDC | 48VDC |
额定转速(Rated speed) nn | RPM | 150 | 100 |
额定转矩(Rated torque) Tn | N·m | 44.9 | 70 |
额定电流(Rated current) In | A | 20 | 21 |
最大转速(Maximum speed) nmax | RPM | 225 | 110.5 |
最大转矩(Maximum torque) Tm | N·m | 134.7 | 210 |
最大电流(Maximum current) Im | A | 60 | 63 |
电阻(Line to line resistance) RL | Ω | 0.07 | 0.081 |
电感(Line to line inductance) LL | mH | 0.23 | 0.27 |
反电势系数(Back EMF) Ke | V/Krpm | 7.5 | 8 |
转矩系数(Torque constant) Kt | Nm/A | 0.125 | 0.133 |
电气时间常数(Electrical time constant) τe | ms | 3.1 | 3.1 |
机械时间常数(Mechanical time constant) τm | ms | 1.65 | 1.65 |
转动惯量(Rotor inertia) Jm0 | kg.cm2 | 1.56 | 1.56 |
转动惯量带制动器(Rotor inertia with brake) Jm1 | kg.cm2 | 1.685 | 1.685 |
极数(Number of poles) | 10 | 10 | |
编码器(Encoder) | 2500ppr磁编码器(增量式) 2500p/rev Magnetic encoder | ||
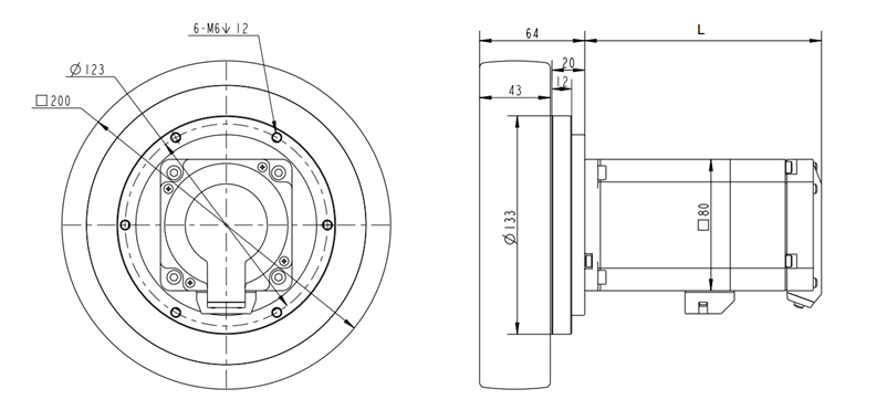
机身长度(Motor length) L | mm | 107 | 107 |
机身长度带制动器(Motor length with brake) L | mm | 144 | 144 |
重量 (Weight) | Kg | 6.1 | 6.1 |
重量带制动器(Weight with brake) | Kg | 5.5 | 5.5 |

Copyright 2023 Copyright Jiangsu Fulling Motor Technology Co., Ltd.