Characteristics:
1) Adopting a dedicated 32-bit motor control chip
2) Input voltage 9VDC~30VDC, wide voltage input
3) Supports multiple speed regulation modes (PWM/analog)
4) Equipped with control functions such as start stop, forward and reverse rotation, braking, etc
5) High precision speed and current dual closed-loop control
6) Adopting non inductive FOC sine wave control technology, compared to square wave control, reduces noise and torque ripple
7) It has protection functions such as overvoltage, undervoltage, overcurrent, overtemperature, and locked rotor
8) Ultra high cost-effectiveness, economically efficient
9) Acceptable customization
Typical applications:
Widely used in various small and medium-sized automation equipment and instruments, such as electronic processing equipment, 3C non-standard automation equipment, screw locking machines, wire stripping machines, winding machines, terminal machines, laser machines, marking machines, spray painting machines, small and medium-sized carving machines, automatic grabbing equipment, specialized CNC machine tools, packaging equipment and robots.
Product Overview:
It adopts a 32-bit dedicated motor control chip, with high integration, small size, and complete protection measures. The motor adopts a new PWM control technology, which enables brushless motor operation to have advantages such as high rotation, low vibration, low noise, and good stability.
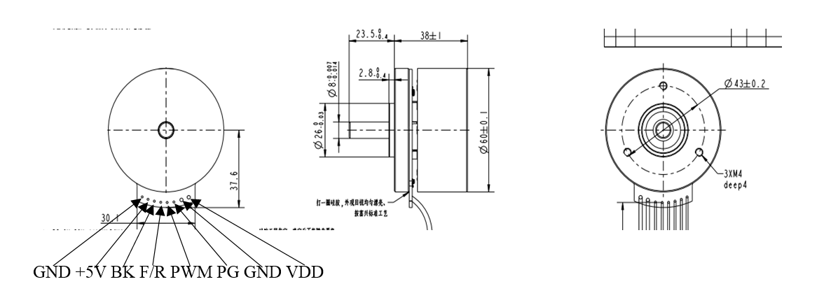
Control Port(B08B-PASK-1(LF)(SN) 8-bit pin)
Pin number | signal | function | Explanation |
1 | GND | Sensor power supply Ground | Sensor power supply ground, shared with main power supply ground |
2 | +5V | Sensor +5V power supply | Sensor +5V power supply, Output current <=30mA |
3 | BK | Brake signal | Invalid when suspended or connected to a high level (2.6V~24V) Connected to low-level brake effective (0V~0.7V) |
4 | F/R | Directional signal | CW\CCW High and low level polarity can be configured by software High level(2.6V~24V) Low level (0V~0.7V) |
5 | SV/PWM | Speed regulation signal | Analog speed control: 0.5V~5V, PWM frequency supports 1K~20K PWM speed regulation: Duty cycle polarity configurable 0~5% Full speed 5~95% Linear speed regulation 95~100% cease |
6 | PG | Speed signal | TTL-5V level,1 pulse /1 Antipolar / rotate |
7 | GND | Power input negative terminal | Negative pole of power input |
8 | VDD | Positive pole of power supply | Power input positive terminal,input voltage 9V~30Vdc |

Copyright 2023 Copyright Jiangsu Fulling Motor Technology Co., Ltd.